- 
		
		全流程体系管理步骤 通过软件加强管理一家好的企业,都有自己的企业文化,企业文化往往源于创始人,一个理念一个思想,演变为企业文化,根据思想和理念,对未来公式发展走向,有一定长远的规划,才能让企业越走越远,全流程体系管理,更是一家公司不可缺少的,结合企业文化进行更有效的管理方向,使企业用不忘初衷,有良好的发展。 2021-04-19 19:28:33 
- 
		
		制造业生产管理流程 辅助软件可以加强管理由于我国出口量大幅度增加,外资企业在国内寻求发展合作伙伴,带动了中国制造业生产,提高了很多公民经济利益,使我国经济越来越发达,制造业生产管理流程对于每个公司都很重要,只有高校的管理制度,可以节省人力物力,提高产品质量,让公司有好的信誉,可以走得更远。 2021-04-19 19:27:10 
- 
		
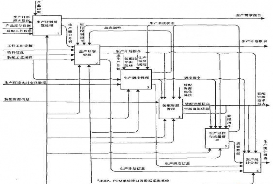
		生产项目流程管理 管理需要管理软件加强我国一直受着美国技术封锁,在2020年封锁光刻机试图卡住芯片的脖子,打压我国国企公司,美国总统还下令制裁,令美国企业撤出中国市场,签到其他各国,很多外企闻风而动,而在他国换来的却是罢工,防火不到位,使生产线受到重创,得不偿失,但这一切并不能阻止我国出口的脚步,对于我国生产项目流程管理,已经比较成熟,有些企业通过日事清软件,更好更合理地加强了管理制度,使生产线流畅,质量过关,顺利走出国门。 2021-04-18 12:52:43 
- 
		
		销售管理的流程至关重要 企业需加以高度关注随着社会的不断发展与市场的不断更新,在当前国内外的大环境下,销售早已经是一件寻常的工作,绝大多数性质的岗位在日常工作中都会涉及到销售性质的内容。在销售的重要性与日俱增的今天,销售管理的流程势必也需要企业加强关注,那么,究竟如何理解销售管理的流程,企业应当怎样进行变革?下文将展开介绍。 2021-04-18 12:50:13 
- 
		
		管理流程制作软件推陈出新 效率优化势在必行目前企业当中很大一部分企业并不具备十分健全的流程管理体系,管理流程制作软件在此时便显得尤为关键。越来越多公司逐步意识到效率优化对企业发展的重要性,那么,在市场众多的同类型产品中,管理流程制作软件哪家强?下文将为大家展开介绍。 2021-04-18 12:48:43 
- 
		
		流程管理怎么样 动态效率现真章任何产业都有自己的标准产业链条,产业链条的流程管理怎么样在很大程度上影响着企业的营收绩效与长期的发展水平,因此,流程管理是每个企业管理者的一门必修课。那么,如何辨别企业的流程管理怎么样?动态效率直观体现。接下来的文章中将为大家展开具体的内容介绍。 2021-04-18 12:47:32 
- 
		
		如何流程化管理 分清重点最关键在企业当中,无论是哪个岗位的人员,在主要的岗位职责之余,势必都面临着来自多方的其他杂事,这些事务无疑阻碍了流程化管理的顺利进行,降低了企业处理重点工作的效率。那么,如何流程化管理能够提升效率?理清主次缓急是重点。在下文中,将对此展开详尽的论述。 2021-04-18 12:46:13 
- 
		
		工作流程管理的好办法 工作流程管理恪守的原则公司的负责人控制着整个公司的经济命脉,每一位公司的负责人也要时时刻刻为了员工着想,我国很多企业的老板为了自己的个人利益会克扣员工的工资,最终会导致员工纷纷跳槽,公司的实际收益也会大大减少,只有那些把员工当作自己家人的老板未来才能够继续发展。下面就一起看看工作流程管理的相关内容。 2021-04-17 12:00:18 
- 
		
		工作管理流程如何应用 员工如何服从管理众所周知企业的核心就是员工,一旦企业离开了员工那么企业就失去了生命的活力,但是企业同样也要对员工进行管理,因为很多员工在工作生活中会出现懈怠的情况,这样也会影响整个公司经济的发展,很多公司的管理人员并不了解工作管理流程如何应用,那么接下来就为大家重点讲解一下如何进行公司的管理。 2021-04-17 11:59:11 
- 
		
		工作过程管理怎么实行 管理员工的工作过程公司是很多员工的一个小家,员工们必须要有集体意识并且要保证公司的集体利益,这样才能够促进公司未来进一步发展,但是现在我国很多员工的性格非常自私,很多员工会为了个人的小利而牺牲集体的大利,这一种行为必须要通过完善公司过程管理才能够遏制,日事清是很多公司的老板特别喜欢使用的工作过程管理系统,能够方便老板管理公司。 2021-04-17 11:58:10 
- 
		
		工厂流程管理的重要之处 管理工厂的方法一个公司想要得到持续的发展,不仅要提高本身的生产基础,更重要的是提升管理方法,公司在管理的时候有很多的注意点,如果公司的负责人没有完善自身公司的管理系统,那么会导致公司高层的命令不能够得以执行,甚至很多员工的工作积极性很低,因此,工厂流程管理非常的重要,日事清能够帮助每一位公司的老板实现管理工厂。 2021-04-17 11:56:49 
- 
		
		流程管理的定义是什么 流程和流程管理相信很多人都听说过流程管理这个词,可能是来自网络课程里,可能是来自视频演说,也可能来自公司的老板。但流程管理的定义究竟是什么?流程管理和大家日常使用的工作和任务计划管理软件,比如日事清,是一样的内容吗? 2021-04-17 11:55:27 
 
		 
		 
		 
		 
		 
		 
		 
		 
		 
		 
		 
		